新闻资讯 +

直流高压发生器的测试方法​

来源:

|

日期:1970-01-01

直流高压发生器用于提供直流高压源,用来检测电力器件的电气绝缘强度和泄漏电流,主要适用于电力、工矿、冶金、钢铁等企业动力部门对氧化锌避雷器、电力电缆、变压器、发电机等高压电气设备进行直流耐压试验。新型直流高压发生器应用PWM脉宽调制技术和大功率IGBT器件,根据电磁兼容性理论,采用中频倍压电路,特殊屏蔽、隔离和接地等措施。

直流高压发生器

  2.外观与通电检查


  测试仪外观应完整无破损,不允许有影响计量性能和安全性能的外观缺陷;制造厂名或商标、仪器名称、型号规格、出厂编号等标识应清晰;供电电源电压、频率标志、额定输出电压、额定输出电流应清晰;仪器附件、连接导线、电源线、接地线应齐全;应有专用的接地端钮,且有明显的接地标识。如被校准技术条件有预热要求时,应先预热后再按要求进行该项试验。开机后,应能正常工作,报警复位键能正常工作;开关、按键、显示屏(或数码)正常工作。


  3.电压误差


  3.1直流高压分压器法


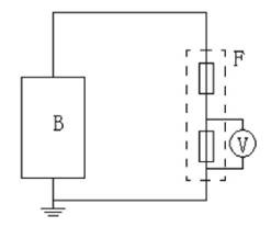
  使用标准分压器与低压直流数字电压表作标准,按图1连线。

国电西高

  图中:B——被校直流高压发生器;F——标准分压器;V——低压直流数字电压表。


  将标准器与被校直流高压发生器的高电压端对应连接,保证高压端连线与标准器柱体所成角度不小于90°,标准器与被校直流高压发生器接地端可靠接地。


  3.2直流高压表法


  使用直流高压表作标准,按图2连线。

国电西高

  图中:B——被校直流高压发生器;V——直流高压表。


  3.3校准点选取与误差计算


  对于测量显示为数字式的直流高压发生器,校准点为被校直流高压发生器额定电压的10%至100%。均匀选取10个点,对被校电压在其上升与下降过程中各校准一次。如果被校直流高压发生器的技术条件还规定了其它工作电压范围,则还应增加相应的校准点。对于测量显示为指针式或光标式的直流高压发生器,校准点为被校直流高压发生器标有数字的有效刻度点。校准多量程的直流高压发生器时,可根据用户的实际工作需要,只校准某一个量程,或校准几个量程在校准证书中明确标明。测量显示为数字式的高压发生器,电压示值误差用相对误差表示,见式。

国电西高

  测量显示为指针式和光标式的,电压示值误差用相对误差表示,见式。

国电西高

  式中:

国电西高